
|
1 |
可选版本 |
.NM,绝对无磁版本; .HV,高真空版本; .UHV,超高真空版本; |
|
2 |
外形尺寸 |
50 × 50 × 14 mm |
|
3 |
主体材料 |
标准版 铝合金,钢:120 g;.HV/.UHV:钛,钢:150 g;.NM 钛,陶瓷:130 g |
|
4 |
运动行程 |
24 mm |
|
5 |
速度范围 |
默认:5 mm/s ~ 200 mm/s ;.HV & .UHV 版本:5 mm/s ~ 20 mm/s |
|
6 |
驱动力 |
2 N |
|
7 |
保持力 |
3 N |
|
8 |
水平方向使用最大负载 |
2 kg |
|
9 |
竖直方向使用最大负载 |
100 g |
|
10 |
双向重复定位精度 |
± 250 nm |
|
11 |
全行程俯仰/偏摆 |
0.3 mrad |
|
12 |
最小步伐(开环) |
50 nm |
|
13 |
位置传感器类型 |
光学位置传感器 |
|
14 |
位置传感器分辨率 |
2 nm |
|
15 |
线缆 & 接头 |
默认:屏蔽线缆D-Sub15;.UHV版本:Kapton 漆包线,D-Sub15 (PEEK) |
|
16 |
控制器规格 |
MC-Doppler系列 |

|
1 |
可选版本 |
.NM,绝对无磁版本; .HV,高真空版本; .UHV,超高真空版本; |
|
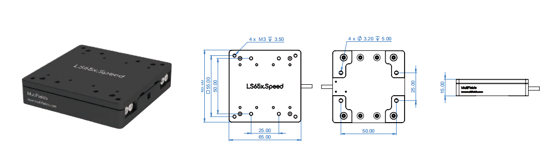
2 |
外形尺寸 |
65 × 65 × 15 mm |
|
3 |
主体材料 |
标准版 铝合金,钢:200 g;.HV/.UHV:钛,钢:270 g;.NM 钛,陶瓷:240 g |
|
4 |
运动行程 |
30 mm |
|
5 |
速度范围 |
默认:5 mm/s ~ 200 mm/s ;.HV & .UHV 版本:5 mm/s ~ 20 mm/s |
|
6 |
驱动力 |
3 N |
|
7 |
保持力 |
4 N |
|
8 |
水平方向使用最大负载 |
3 kg |
|
9 |
竖直方向使用最大负载 |
150 g |
|
10 |
双向重复定位精度 |
± 250 nm |
|
11 |
全行程俯仰/偏摆 |
0.3 mrad |
|
12 |
最小步伐(开环) |
50 nm |
|
13 |
位置传感器类型 |
光学位置传感器 |
|
14 |
位置传感器分辨率 |
2 nm |
|
15 |
线缆 & 接头 |
默认:屏蔽线缆D-Sub15;.UHV版本:Kapton 漆包线,D-Sub15 (PEEK) |
|
16 |
控制器规格 |
MC-Doppler系列 |

|
1 |
可选版本 |
.NM,绝对无磁版本; .HV,高真空版本; .UHV,超高真空版本; |
|
2 |
外形尺寸 |
105 × 105 × 20 mm |
|
3 |
主体材料 |
标准版 铝合金,钢:660 g;.HV/.UHV:钛,钢:960 g;.NM 钛,陶瓷:910 g |
|
4 |
运动行程 |
60 mm |
|
5 |
速度范围 |
默认:5 mm/s ~ 200 mm/s ;.HV & .UHV 版本:5 mm/s ~ 20 mm/s |
|
6 |
驱动力 |
4 N |
|
7 |
保持力 |
5 N |
|
8 |
水平方向使用最大负载 |
5 kg |
|
10 |
双向重复定位精度 |
± 250 nm |
|
11 |
全行程俯仰/偏摆 |
0.2 mrad |
|
12 |
最小步伐(开环) |
50 nm |
|
13 |
位置传感器类型 |
光学位置传感器 |
|
14 |
位置传感器分辨率 |
2 nm |
|
15
|
线缆 & 接头 |
默认:屏蔽线缆D-Sub15;.UHV版本:Kapton 漆包线,D-Sub15 (PEEK) |
|
16 |
控制器规格 |
MC-Doppler系列 |

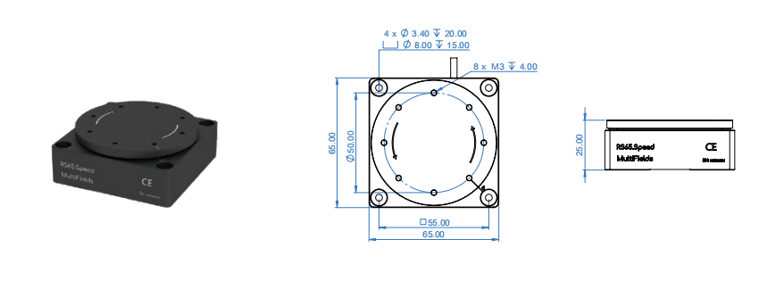
| 1 | 可选版本 | .NM,绝对无磁版本;.HV,高真空版本;.UHV,超高真空版本 |
| 2 | 外形尺寸 | 65 × 65 × 25 mm |
| 3 | 主体材料 | 标准版 /.NM 铝合金:330 g;.HV/.UHV 钛合金:360 g |
| 4 | 运动行程 | 360° |
| 5 | 速度范围 | 默认:60 °/s ~ 720 °/s;.HV & .UHV 版本:推荐使用 60 °/s |
| 6 | 最大负载 | 2 kg |
| 7 | 额定力矩 | 0.5 N·m |
| 8 | 最大力矩 | 0.8 N·m |
| 9 | 保持力矩 | 0.8 N·m |
| 10 | 最小步伐 | 15 μrad |
| 11 | 位置传感器类型 | 光学位置传感器 |
| 12 | 位置传感器分辨率 | 1 μrad |
| 13 | 线缆 & 接头 | 默认:屏蔽线缆 D–Sub15;.UHV 版本:Kapton 漆包线,D–Sub15 (PEEK) |
| 14 | 控制器规格 | MC–Doppler 系列 |

| 1 | 可选版本 | .NM,绝对无磁版本;.HV,高真空版本;.UHV,超高真空版本 |
| 2 | 外形尺寸 | 105 × 135 × 23 mm |
| 3 | 主体材料 | 标准版 /.NM 铝合金:800 g;.HV/.UHV 钛合金:1 kg |
| 4 | 运动行程 | 360° |
| 5 | 速度范围 | 默认:1.3 °/s ~ 360 °/s;.HV & .UHV 版本:推荐使用 36 °/s |
| 6 | 最大负载 | 5 kg |
| 7 | 额定力矩 | 0.4 N·m |
| 8 | 最大力矩 | 0.6 N·m |
| 9 | 保持力矩 | 0.6 N·m |
| 10 | 最小步伐 | 0.75 μrad |
| 11 | 位置传感器类型 | 光学位置传感器 |
| 12 | 位置传感器分辨率 | 1 μrad |
| 13 | 线缆 & 接头 | 默认:屏蔽线缆 D–Sub15;.UHV 版本:Kapton 漆包线,D–Sub15 (PEEK) |
| 14 | 控制器规格 | MC–Doppler 系列 |
Copyright © 2020 Zolix .All Rights Reserved 地址:北京市通州区中关村科技园区通州园金桥科技产业基地环科中路16号68号楼B.
ICP备案号:京ICP备05015148号-1
公安备案号:京公网安备11011202003795号

13810146393
在线咨询