

| 产品参数 | RS35.Lab | RS35.Lab.E |
| 1. 特殊版本 | .HV,高真空版本; | 无 |
| .UHV,超高真空版本; | ||
| .NM,完全无磁版本 | ||
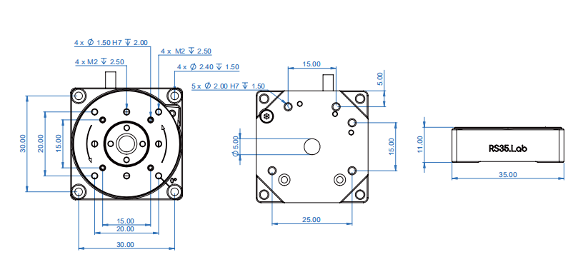
| 2. 外形尺寸 | 35 × 35 × 11 mm | 35 × 35 × 11 mm |
| 3. 中通直径 | Φ 5 mm | Φ 5 mm |
| 4. 转盘直径 | Φ 33.5 mm | Φ 33.5 mm |
| 5. 主体材料 | 标准版、.HV、.UHV:钢,70 g; | 钢:70 g |
| .NM:纯钛,陶瓷,90 g | ||
| 6. 运动行程 | 360° 连续运动 | 360° 连续运动 |
| 7. 速度范围 | 默认:0.0005°/s ~ 45°/s;
.HV & .UHV 版本:推荐使用 4.5°/s
|
|
| 8. 最大负载(底座水平放置) | 500 g | 500 g |
| 9. 保持力矩 | 0.05 N·m | 0.05 N·m |
| 10. 驱动力矩 | 0.02 N·m | 0.02 N·m |
| 11. 最小步优 | 3 μrad | 10 μrad |
| 12. 双向重复定位精度 | ± 7.5 μrad | ± 25 μrad |
| 13. 位置传感器类型 | 光学位置传感器 | 光学位置传感器 |
| 14. 位置传感器分辨率 | 标准版本:0.2 μrad; | 3 μrad |
| 经济版本 .E:3 μrad | ||
| 15. 线缆 & 接头 | 默认:屏蔽线缆 D–Sub15;
.UHV 版本:Kapton 漆包线,D–Sub15 (PEEK)
|
|
| 16. 控制器规格 | MC–Newton.S 系列 | MC–Newton.S 系列 |
| 产品参数 | RS65.Lab | RS65.Lab.E |
| 1. 特殊版本 | .HV,高真空版本; | 无 |
| .UHV,超高真空版本; | ||
| .NM,完全无磁版本 | ||
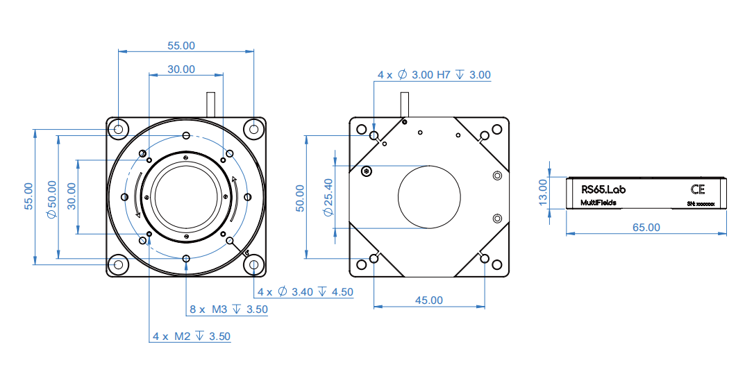
| 2. 外形尺寸 | 65 × 65 × 13 mm | 65 × 65 × 13 mm |
| 3. 中通直径 | Φ 25.4 mm | Φ 25.4 mm |
| 4. 转盘直径 | Φ 62 mm | Φ 62 mm |
| 5. 主体材料 | 标准版 铝合金,钢:120 g; | 铝合金,钢:120 g |
| .HV,.UHV 纯钛,钢:170 g; | ||
| .NM 纯钛,陶瓷:120 g | ||
| 6. 运动行程 | 360° 连续运动 | 360° 连续运动 |
| 7. 速度范围 | 默认:0.0005 °/s ~ 25 °/s;
.HV & .UHV 版本:推荐使用 2.5 °/s
|
|
| 8. 最大负载(底座水平放置) | 1 kg | 1 kg |
| 9. 保持力矩 | 0.1 N·m | 0.1 N·m |
| 10. 驱动力矩 | 0.04 N·m | 0.04 N·m |
| 11. 最小步伐 | 3 μrad | 10 μrad |
| 12. 双向重复定位精度 | ± 5 μrad | ± 20 μrad |
| 13. 位置传感器类型 | 光学位置传感器 | 光学位置传感器 |
| 14. 位置传感器分辨率 | 标准版本:0.07 μrad; | 2 μrad |
| 经济版本 .E:2 μrad | ||
| 15. 线缆 & 接头 | 默认:屏蔽线缆 D–Sub15;
.UHV 版本:Kapton 漆包线,D–Sub15 (PEEK)
|
|
| 16. 控制器规格 | MC–Newton.S 系列 | MC–Newton.S 系列 |
Copyright © 2020 Zolix .All Rights Reserved 地址:北京市通州区中关村科技园区通州园金桥科技产业基地环科中路16号68号楼B.
ICP备案号:京ICP备05015148号-1
公安备案号:京公网安备11011202003795号

13810146393
在线咨询