
| 产品参数 | LS105x.Lab |
| 1. 特殊版本 | .HV,高真空版本; |
| .UHV,超高真空版本; | |
| .NM,完全无磁版本 | |
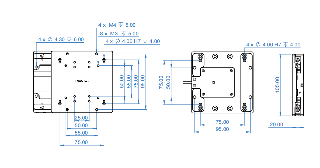
| 2. 外形尺寸 | 105 × 105 × 20 mm |
| 3. 主体材料 | 标准版 铝合金,钢:630 g; |
| .HV .UHV 纯钛,钢:910 g; | |
| .NM 纯钛,陶瓷:770 g | |
| 4. 运动行程 | 60 mm(加长版本最高可至 200 mm) |
| 5. 速度范围 | 默认:0.1 μm/s ~ 20 mm/s; |
| .HV & .UHV 版本:0.1 μm/s ~ 2 mm/s | |
| 6. 驱动力 | 3 N |
| 7. 保持力 | 5 N |
| 8. 水平方向使用最大负载 | 4 kg |
| 9. 双向位置重复精度 | ±100 nm |
| 10. 全行程俯仰 / 偏摆 | 0.2 mrad |
| 11. 最小步优(闭环) | 5 nm |
| 12. 位置传感器类型 | 光学位置传感器 |
| 13. 位置传感器分辨率 | 标准版本 2 nm;.adv 版本 0.5 nm;经济版本 .E 50 nm |
| 14. 线缆 & 接头 | 默认:屏蔽线缆 D–Sub15; |
| .UHV 版本:Kapon 漆包线,D–Sub15 (PEEK) | |
| 15. 控制器规格 | MC-Newton.S 系列 |
Copyright © 2020 Zolix .All Rights Reserved 地址:北京市通州区中关村科技园区通州园金桥科技产业基地环科中路16号68号楼B.
ICP备案号:京ICP备05015148号-1
公安备案号:京公网安备11011202003795号

13810146393
在线咨询