
| 产品参数 | S100.X | S200.X | S300.X | S500.X |
|---|---|---|---|---|
| 1. 可选版本 | .NM, 绝对无磁版本: .HV, 高真空版本;.UHV, 超高真空版本; | .NM, 绝对无磁版本: .HV, 高真空版本;.UHV, 超高真空版本; | .NM, 绝对无磁版本: .HV, 高真空版本;.UHV, 超高真空版本; | .NM, 绝对无磁版本: .HV, 高真空版本;.UHV, 超高真空版本; |
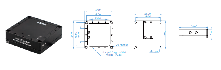
| 2. 外形尺寸 | 55 × 55 × 17 mm | 55 × 55 × 17 mm | 55 × 55 × 17 mm | 70 × 70 × 17 mm |
| 3. 运动方向 & 行程 (闭环) | 100 μm | 200 μm | 300 μm | 500 μm |
| 4. 主体材料 | 标准版,.HV, .UHV 铝合金,钢: 220 g;.NM 铝合金,钛合金: 200 g | 标准版,.HV, .UHV 铝合金,钢: 220 g;.NM 铝合金,钛合金: 200 g | 标准版,.HV, .UHV 铝合金,钢: 220 g;.NM 铝合金,钛合金: 200 g | 标准版,.HV, .UHV 铝合金,钢: 250 g;.NM 铝合金,钛合金: 230 g |
| 5. 线性误差度 | 0.02% | 0.02% | 0.02% | 0.02% |
| 6. 重复定位精度 | 5 nm | 5 nm | 5 nm | 6 nm |
| 7. 运动分辨率 (闭环) | 0.5 nm | 0.6 nm | 0.9 nm | 1.5 nm |
| 8. 运动分辨率 (开环) | 0.2 nm | 0.3 nm | 0.5 nm | 0.7 nm |
| 9. 刚性 | 1 N/μm | 0.65 N/μm | 0.25 N/μm | 0.16 N/μm |
| 10. 共振频率,0 负载 (± 20%) | 750 Hz | 590 Hz | 310 Hz | 210 Hz |
| 11. 共振频率,0.5 kg 负载 (± 20%) | 200 Hz | 162 Hz | 100 Hz | 80 Hz |
| 12. 最大负载 | 500 g | 500 g | 500 g | 500 g |
| 13. 位置传感器类型 | 电容式位置传感 | 电容式位置传感 | 电容式位置传感 | 电容式位置传感 |
| 14. 线缆 & 接头 | 默认:屏蔽线缆,D-Sub 7W2; .UHV: 屏蔽线缆,SMA | 默认:屏蔽线缆,D-Sub 7W2; .UHV: 屏蔽线缆,SMA | 默认:屏蔽线缆,D-Sub 7W2; .UHV: 屏蔽线缆,SMA | 默认:屏蔽线缆,D-Sub 7W2; .UHV: 屏蔽线缆,SMA |
| 15. 控制器规格 | MC-Archimedes.N 系列 | MC-Archimedes.N 系列 | MC-Archimedes.N 系列 | MC-Archimedes.N 系列 |

| 产品参数 | S100.Z | S200.Z | S300.Z |
|---|---|---|---|
| 1. 可选版本 | .NM, 绝对无磁版本;.HV, 高真空版本;.UHV, 超高真空版本 | .NM, 绝对无磁版本;.HV, 高真空版本;.UHV, 超高真空版本 | .NM, 绝对无磁版本;.HV, 高真空版本;.UHV, 超高真空版本 |
| 2. 外形尺寸 | 55 × 55 × 23 mm | 55 × 55 × 23 mm | 55 × 55 × 23 mm |
| 3. 运动方向 & 行程 (闭环) | 100 μm | 200 μm | 300 μm |
| 4. 主体材料 | 标准版,.HV, .UHV 铝合金,钢: 260 g;.NM 铝合金,钛合金: 240 g | 标准版,.HV, .UHV 铝合金,钢: 260 g;.NM 铝合金,钛合金: 240 g | 标准版,.HV, .UHV 铝合金,钢: 260 g;.NM 铝合金,钛合金: 240 g |
| 5. 线性误差度 | 0.02% | 0.02% | 0.02% |
| 6. 重复定位精度 | 5 nm | 5 nm | 5 nm |
| 7. 运动分辨率 (闭环) | 0.5 nm | 0.6 nm | 0.9 nm |
| 8. 运动分辨率 (开环) | 0.2 nm | 0.3 nm | 0.5 nm |
| 9. 刚性 | 1 N/μm | 0.7 N/μm | 0.4 N/μm |
| 10. 共振频率,0 负载 (± 20%) | 550 Hz | 540 Hz | 430 Hz |
| 11. 共振频率,0.5 kg 负载 (± 20%) | 230 Hz | 210 Hz | 150 Hz |
| 12. 最大负载 | 500 g | 500 g | 500 g |
| 13. 位置传感器类型 | 电容式位置传感 | 电容式位置传感 | 电容式位置传感 |
| 14. 线缆 & 接头 | 默认:屏蔽线缆,D-Sub 7W2; .UHV: 屏蔽线缆,SMA | 默认:屏蔽线缆,D-Sub 7W2; .UHV: 屏蔽线缆,SMA | 默认:屏蔽线缆,D-Sub 7W2; .UHV: 屏蔽线缆,SMA |
| 15. 控制器规格 | MC-Archimedes.N 系列 | MC-Archimedes.N 系列 | MC-Archimedes.N 系列 |

| 产品参数 | S100.XY | S200.XY | S300.XY |
|---|---|---|---|
| 1. 可选版本 | .NM, 绝对无磁版本;.HV, 高真空版本;.UHV, 超高真空版本 | .NM, 绝对无磁版本;.HV, 高真空版本;.UHV, 超高真空版本 | .NM, 绝对无磁版本;.HV, 高真空版本;.UHV, 超高真空版本 |
| 2. 外形尺寸 | 55 × 55 × 28 mm | 55 × 55 × 28 mm | 55 × 55 × 28 mm |
| 3. 运动方向 & 行程 (闭环) | 100 μm | 200 μm | 300 μm |
| 4. 主体材料 | 标准版,.HV, .UHV 铝合金,钢: 450 g;.NM 铝合金,钛合金: 410 g | 标准版,.HV, .UHV 铝合金,钢: 450 g;.NM 铝合金,钛合金: 410 g | 标准版,.HV, .UHV 铝合金,钢: 450 g;.NM 铝合金,钛合金: 410 g |
| 5. 线性误差度 | 0.02% | 0.02% | 0.02% |
| 6. 重复定位精度 | 5 nm | 5 nm | 5 nm |
| 7. 运动分辨率 (闭环) | 0.5 nm | 0.6 nm | 0.9 nm |
| 8. 运动分辨率 (开环) | 0.2 nm | 0.3 nm | 0.5 nm |
| 9. 刚性 | 0.7 N/μm | 0.5 N/μm | 0.2 N/μm |
| 10. 共振频率,0 负载 (± 20%) | X: 570 Hz;Y: 530 Hz | X: 480 Hz;Y: 400 Hz | X: 300 Hz;Y: 260 Hz |
| 11. 共振频率,0.5 kg 负载 (± 20%) | X: 130 Hz;Y: 120 Hz | X: 130 Hz;Y: 115 Hz | X: 85 Hz;Y: 80 Hz |
| 12. 最大负载 | 500 g | 500 g | 500 g |
| 13. 位置传感器类型 | 电容式位置传感 | 电容式位置传感 | 电容式位置传感 |
| 14. 线缆 & 接头 | 默认:屏蔽线缆,D-Sub 7W2; .UHV: 屏蔽线缆,SMA | 默认:屏蔽线缆,D-Sub 7W2; .UHV: 屏蔽线缆,SMA | 默认:屏蔽线缆,D-Sub 7W2; .UHV: 屏蔽线缆,SMA |
| 16. 控制器规格 | MC-Archimedes.N 系列 | MC-Archimedes.N 系列 | MC-Archimedes.N 系列 |

| 产品参数 | S500.XY |
|---|---|
| 1. 可选版本 | .NM, 绝对无磁版本;.HV, 高真空版本;.UHV, 超高真空版本 |
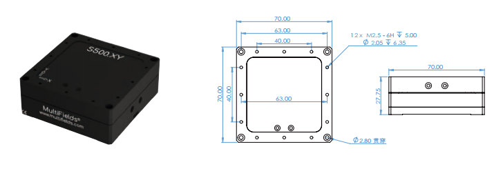
| 2. 外形尺寸 | 70 × 70 × 28 mm |
| 3. 运动方向 & 行程 (闭环) | 500 μm |
| 4. 主体材料 | 标准版,.HV, .UHV 铝合金,钢: 500 g;.NM 铝合金,钛合金: 460 g |
| 5. 线性误差度 | 0.02% |
| 6. 重复定位精度 | 6 nm |
| 7. 运动分辨率 (闭环) | 1.5 nm |
| 8. 运动分辨率 (开环) | 0.7 nm |
| 9. 刚性 | 0.13 N/μm |
| 10. 共振频率,0 负载 (± 20%) | X: 190 Hz;Y: 150 Hz |
| 11. 共振频率,0.5 kg 负载 (± 20%) | X: 68 Hz;Y: 66 Hz |
| 12. 最大负载 | 500 g |
| 13. 位置传感器类型 | 电容式位置传感 |
| 14. 线缆 & 接头 | 默认:屏蔽线缆,D-Sub 7W2; .UHV: 屏蔽线缆,SMA |
| 16. 控制器规格 | MC-Archimedes.N 系列 |

| 产品参数 | S100.XYZ | S200.XYZ | S300.XYZ |
|---|---|---|---|
| 1. 可选版本 | .NM, 绝对无磁版本;.HV, 高真空版本;.UHV, 超高真空版本 | .NM, 绝对无磁版本;.HV, 高真空版本;.UHV, 超高真空版本 | .NM, 绝对无磁版本;.HV, 高真空版本;.UHV, 超高真空版本 |
| 2. 外形尺寸 | 55 × 55 × 42 mm | 55 × 55 × 42 mm | 55 × 55 × 42 mm |
| 3. 运动方向 & 行程 (闭环) | 100 μm | 200 μm | 300 μm |
| 4. 主体材料 | 标准版,.HV, .UHV 铝合金,钢: 650 g;.NM 铝合金,钛合金: 600 g | 标准版,.HV, .UHV 铝合金,钢: 650 g;.NM 铝合金,钛合金: 600 g | 标准版,.HV, .UHV 铝合金,钢: 650 g;.NM 铝合金,钛合金: 600 g |
| 5. 线性误差度 | 0.02% | 0.02% | 0.02% |
| 6. 重复定位精度 | 5 nm | 5 nm | 5 nm |
| 7. 运动分辨率 (闭环) | 0.5 nm | 0.6 nm | 0.9 nm |
| 8. 运动分辨率 (开环) | 0.2 nm | 0.3 nm | 0.5 nm |
| 9. 刚性 | 0.6 N/μm | 0.5 N/μm | 0.2 N/μm |
| 10. 共振频率,0 负载 (± 20%) | X: 490 Hz;Y: 480 Hz;Z: 350 Hz | X: 410 Hz;Y: 380 Hz;Z: 320 Hz | X: 310 Hz;Y: 250 Hz;Z: 230 Hz |
| 11. 共振频率,0.5 kg 负载 (± 20%) | X: 110 Hz;Y: 115 Hz;Z: 170 Hz | X: 100 Hz;Y: 105 Hz;Z: 155 Hz | X: 75 Hz;Y: 80 Hz;Z: 110 Hz |
| 12. 最大负载 | 500 g | 500 g | 500 g |
| 13. 位置传感器类型 | 电容式位置传感 | 电容式位置传感 | 电容式位置传感 |
| 14. 线缆 & 接头 | 默认:屏蔽线缆,D-Sub 7W2; .UHV: 屏蔽线缆,SMA | 默认:屏蔽线缆,D-Sub 7W2; .UHV: 屏蔽线缆,SMA | 默认:屏蔽线缆,D-Sub 7W2; .UHV: 屏蔽线缆,SMA |
| 16. 控制器规格 | MC-Archimedes.N 系列 | MC-Archimedes.N 系列 | MC-Archimedes.N 系列 |

| 产品参数 | 对应参数值 |
|---|---|
| 1. 可选版本 | .NM, 绝对无磁版本;.HV, 高真空版本;.UHV, 超高真空版本 |
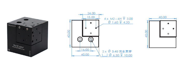
| 2. 外形尺寸 | 40 × 40 × 40 mm |
| 3. 运动方向 & 行程 (闭环) | 100 μm |
| 4. 主体材料 | 标准版,.HV, .UHV 铝合金,钢: 200 g;.NM 铝合金,钛合金: 190 g |
| 5. 线性误差度 | 0.02% |
| 6. 重复定位精度 | 6 nm |
| 7. 运动分辨率 (闭环) | 1 nm |
| 8. 运动分辨率 (开环) | 0.5 nm |
| 9. 刚性 | 0.6 N/μm |
| 10. 共振频率,0 负载 (± 20%) | XYZ: 750 Hz |
| 11. 共振频率,0.2 kg 负载 (± 20%) | XYZ: 230 Hz |
| 12. 最大负载 | 200 g |
| 13. 位置传感器类型 | 电容式位置传感 |
| 14. 线缆 & 接头 | 默认:屏蔽线缆,D-Sub 7W2; .UHV: 屏蔽线缆,SMA |
| 15. 控制器规格 | MC-Archimedes.N 系列 |

| 产品参数 | SD15.X | SD30.X |
|---|---|---|
| 1. 可选版本 | .NM, 绝对无磁版本;.HV, 高真空版本;.UHV, 超高真空版本 | .NM, 绝对无磁版本;.HV, 高真空版本;.UHV, 超高真空版本 |
| 2. 外形尺寸 | 62 × 40 × 13.5 mm | 80 × 40 × 13.5 mm |
| 3. 运动方向 & 行程 (闭环) | 15 μm | 30 μm |
| 4. 主体材料 | 标准版,.HV, .UHV 铝合金,钢: 180 g;.NM 铝合金,钛合金: 160 g | 标准版,.HV, .UHV 铝合金,钢: 250 g;.NM 铝合金,钛合金: 220 g |
| 5. 线性误差度 | 0.03% | 0.03% |
| 6. 重复定位精度 | 2 nm | 4 nm |
| 7. 运动分辨率 (闭环) | 0.2 nm | 0.5 nm |
| 8. 运动分辨率 (开环) | 0.1 nm | 0.2 nm |
| 9. 刚性 | 28 N/μm | 18 N/μm |
| 10. 共振频率,0 负载 (± 20%) | 3.3 KHz | 2.2 KHz |
| 11. 共振频率,0.3 kg 负载 (± 20%) | 1 KHz | 0.625 KHz |
| 12. 最大负载 | 300 g | 300 g |
| 13. 位置传感器类型 | 电容式位置传感 | 电容式位置传感 |
| 14. 线缆 & 接头 | 默认:屏蔽线缆,D-Sub 7W2; .UHV: 屏蔽线缆,SMA | 默认:屏蔽线缆,D-Sub 7W2; .UHV: 屏蔽线缆,SMA |
| 15. 控制器规格 | MC-Archimedes.N 系列 | MC-Archimedes.N 系列 |

| 产品参数 | 对应参数值 |
|---|---|
| 1. 可选版本 | .NM, 绝对无磁版本;.HV, 高真空版本;.UHV, 超高真空版本 |
| 3. 外形尺寸 | 160 × 160 × 34.5 mm |
| 4. 运动方向 & 行程 (闭环) | 30 × 30 × 15 μm |
| 5. 主体材料 | 标准版,.HV, .UHV 铝合金,钢: 4.5 kg;.NM 铝合金,钛合金: 4.2 kg |
| 6. 线性误差度 | 0.03% |
| 7. 重复定位精度 | 4 nm |
| 8. 运动分辨率 (闭环) | 0.3 nm |
| 9. 运动分辨率 (开环) | 0.2 nm |
| 10. 刚性 | 25 N/μm |
| 11. 共振频率,0 负载 (± 20%) | X: 760 Hz;Y: 760 Hz;Z: 830 Hz |
| 12. 共振频率,10 kg 负载 (± 20%) | X: 220 Hz;Y: 220 Hz;Z: 340 Hz |
| 13. 最大负载 | 10 kg |
| 14. 位置传感器类型 | 电容式位置传感 |
| 15. 线缆 & 接头 | 默认:屏蔽线缆,D-Sub 7W2; .UHV: 屏蔽线缆,SMA |
| 16. 控制器规格 | MC-Archimedes.N 系列 |