标准单轴扫描运动模块,高刚性模组
• 无摩擦柔顺结构导向
• 亚纳米级位置分辨率
• 内置电容传感器,闭环控制
• 高动态毫秒级响应速度

|
产品参数 |
SD15.X |
SD30.X |
|
可选版本 |
.NM,绝对无磁版本;.HV,高真空版本;.UHV,超高真空版本; |
|
|
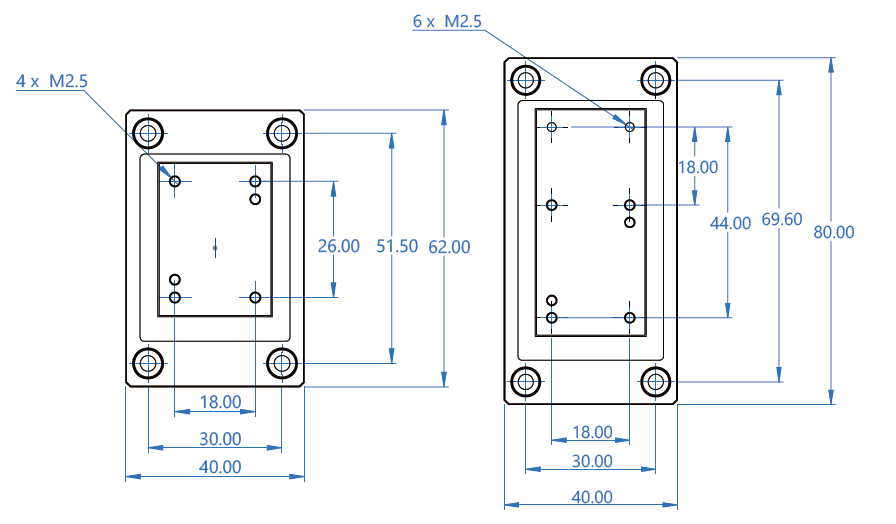
外形尺寸 |
62 × 40 × 13.5 mm |
80 × 40 × 13.5 mm |
|
运动方向 & 行程 (闭环) |
15 μm |
30 μm |
|
主体材料 |
标准版,.HV,.UHV 铝合金,钢:180 g .NM 铝合金,钛合金:160 g |
标准版,.HV,.UHV 铝合金,钢:250 g .NM 铝合金,钛合金:220 g |
|
线性误差度 |
0.03% |
|
|
重复定位精度 |
2 nm |
4 nm |
|
运动分辨率(闭环) |
0.2 nm |
0.5 nm |
|
运动分辨率(开环) |
0.1 nm |
0.2 nm |
|
刚性 |
28 N/μm |
18 N/μm |
|
共振频率, 0 负载(± 20%) |
3.3 KHz |
2.2 KHz |
|
共振频率, 0.3 kg 负载(± 20%) |
1 KHz |
0.625 KHz |
|
最大负载 |
300 g |
|
|
位置传感器类型 |
电容式位置传感 |
|
|
线缆 & 接头 |
默认:屏蔽线缆, D-Sub 7W2;.UHV:屏蔽线缆,SMA |
|
|
控制器规格 |
MC-Archimedes.N 系列 |
|
Copyright © 2020 Zolix .All Rights Reserved 地址:北京市通州区中关村科技园区通州园金桥科技产业基地环科中路16号68号楼B.
ICP备案号:京ICP备05015148号-1
公安备案号:京公网安备11011202003795号

13810146393
在线咨询